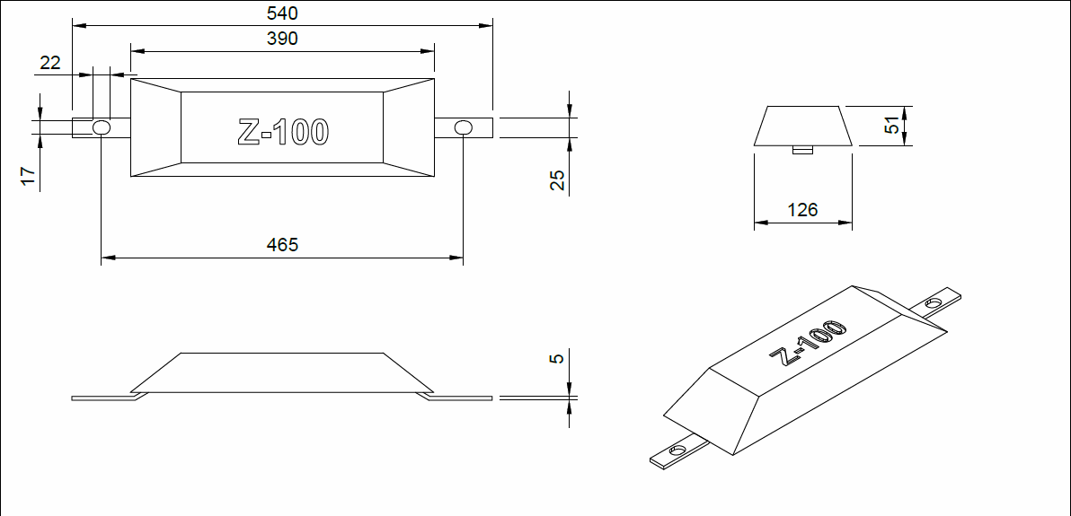
Sink offeranode
Produktgruppe: 6532Sink offeranoder til bruk som rustbeskyttelse for stål under vann.
Anodelegering ifølge U.S. militær spesifikasjon MIL-A-18001 og DNVGL-RP-B401 og NORSOK M-503.
Anodelegering ifølge U.S. militær spesifikasjon MIL-A-18001 og DNVGL-RP-B401 og NORSOK M-503.
Elektrokjemisk kapasitet: 780 Ah/kg
Potensial: -1050 mV vs Ag/AgCl ref. elektrode i sjøvann
Vi har også aluminiumsanoder
Andre anoder kan fås på forespørsel